Bồn tiểu Hwata - Thương hiệu hàng đầu Đài Loan
Bồn tiểu Hwata là dòng sản phẩm mới trong hệ thống Thiết Bị vệ sinh Hwata, thương hiệu đến từ Đài Loan
1. Công ty HWATA VINA
Chuyên sản xuất các mặt hàng INOX cao cấp theo công nghệ tiên tiến của Đài Loan. Dây chuyền sản xuất có quy trình khép kín do các chuyên gia nước ngoài đảm trách. Sản phẩm HWATA VINA chất lượng – bền – đẹp và được thiết kế rất tiện nghi cho người sử dụng.
Dòng sản phẩm bồn cầu của hãng Nội thất nhà tắm HWATA VIỆT NAM
Bồn tiểu Hwata với thiết kế mới đơn giản, gọn gàng và sang trọng phù hợp với nhiều không gian khác nhau
Bồn tiểu nam nữ Hwata ứng dụng kỹ thuật xả thẳng tiên tiến cuốn trôi mọi vết bẩn
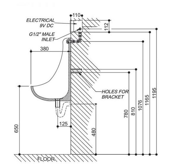
2. Cách đặt Chiều cao bồn tiều nam hợp lý:
Chiều cao để lắp đặt bồn tiểu nam còn phụ thuộc vào nhiều yếu tố khác bên cạnh yếu tố kích thước của chiếc bồn tiểu, nó còn phụ thuộc vào cả thiết kế vành bồn tiểu và chiều cao của nó, chiều cao trung bình của người sử dụng, cũng như kích thước của căn phòng tắm:
- Đa số, chiều cao của chiếc bồn tiểu treo tường thường được thiết kế dao động trong khoảng từ 650mm đến 900mm, với vành miệng bồn tiểu vào khoảng 100 – 200 mm,
- Tuy nhiên, chiều cao trung bình của đàn ông Việt Nam cũng khá khiêm tốn, chỉ khoảng 1m62, nên so với những hướng dẫn lắp đặt bồn tiểu nam của nước ngoài, khoảng cách từ mặt sàn đến chiếc bồn tiểu nên giảm đi một chút.
- Vậy nên, Chiều cao của phòng tắm tại Việt Nam theo đó cũng được thiết kế không quá cao, khoảng 2m50 đến 3m…
Khoảng cách đặt bồn tiểu nam hiệu quả
Ta nên lắp đặt chiếc bồn tiểu cách sàn khoảng từ 450mm đến 600mm tùy vào chiều cao trung bình của người sử dụng chiếc bồn tiểu này. Đối với những nhà vệ sinh công cộng, việc tìm hiểu chiều cao của những người sử dụng cũng trở nên khó khăn hơn, nên có thể đo theo kích thước trung bình vào khoảng 500mm. Khoảng cách này khá phù hợp để khi đi vệ sinh không bị bắn nước tiểu ra ngoài mà vẫn giúp cho người sử dụng thoải mái.
- Xem thêm Bồn nước inox Hwata
- Xem thêm Chậu rửa chén inox khác
- Xem thêm Máy nước nóng năng lượng mặt trời
- Xem thêm Thiết bị vệ sinh cao cấp
3. Mua Bồn tiểu HWATA ở đâu chính hãng?
Bồn tiểu nam nữ Hwata chính hãng thiết kế độc đáo, chất liệu cao cấp. Phù hợp cho sử dụng tại các trung tâm thương mại, nơi công cộng, trường học.
Thiết bị vệ sinh Group là đại lý cấp 1 các hãng thiết bị vệ sinh cao cấp luôn có giá tốt nhất cho khách hàng tại TPHCM, Bình Dương. Hỗ trợ giao hàng miễn phí với đơn hàng tại các quận nội thành Quận 1, 2, 3, 4, 5, 6, 7, 8, 9, 10, 11, 12, Bình Thạnh, Phú Nhuận, Tân Bình, Thủ Đức, Bình Tân, Tân Phú và các tỉnh thành lân cận.
Chúng tôi cam kết:
- Là hệ thống phân phối Hàng chính hãng 100%, tại TP. Hồ Chí Minh và các tỉnh phía Nam
- Đảm bảo mọi quyền lợi cho khách hàng trong suốt quá trình sử dụng sản phẩm
- Giao hàng miễn phí, đầy đủ thông tin, đúng chất lượng
Tư vấn bán hàng, khuyến mãi, khắc phục sản phẩm Quý khách liên hệ:
Hotline, ZALO: 0785 757 986
Rất hân hạnh được phục vụ Quý khách!



Xem thêm